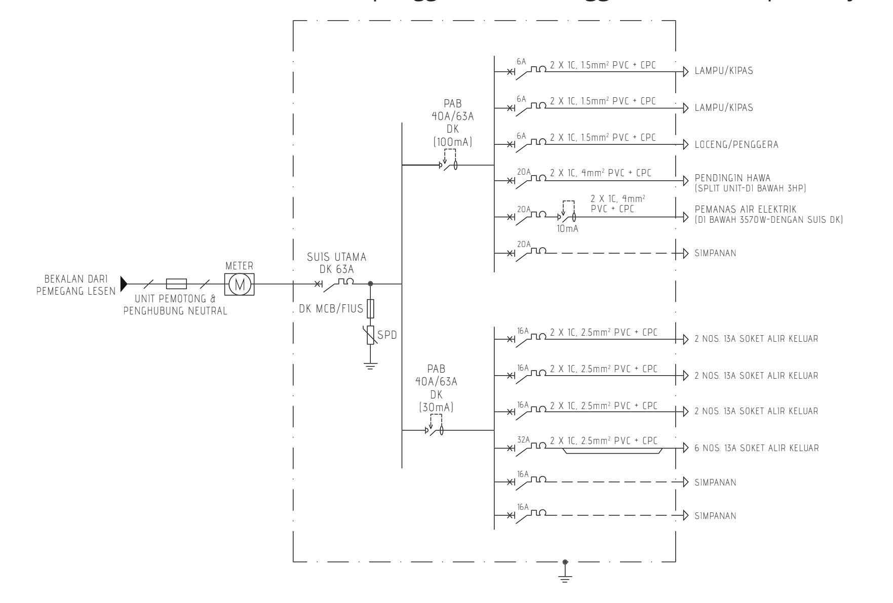
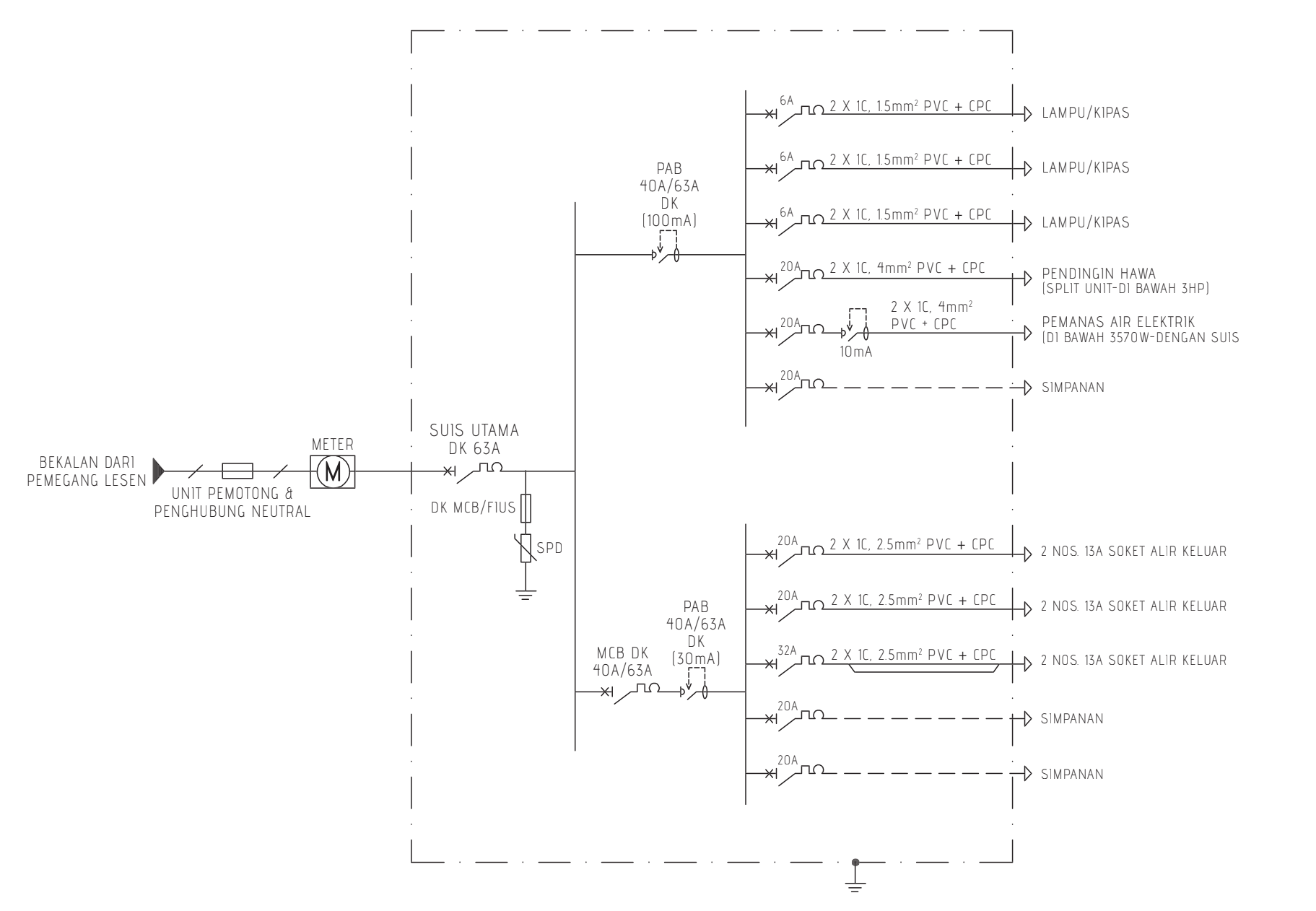
08-04 Typical Home Wiring Layout
Glossary
PAB = Peranti Arus Baki, Residual Current Device
SPD = Surge Protection Device
CPC = Circuit Protective Conductor, i.e. Protective Earth Conductor
DK = Dua Kutub, Two-Pole
4K = Empat Kutub, Four-Pole
2 x 1C = two wires, single core
PVC = PVC insulation
Single Phase example 1

Single Phase example 2

Three-Phase Example 1

Three-Phase example 2

prev: 08-03 Colour Coding
next: 08-05 Practical session - Wiring